网站支持IPv6/IPv4
中国政府网
云南省政府
迪庆州政府
简体
/
繁体
无障碍浏览
长者模式
德钦县人民政府
政府信息公开
(县交通运输局)
政府信息公开指南
部门信息公开指南
政府信息公开制度
国家相关文件
云南省文件
迪庆州文件
法定主动公开内容
通知公告
政府信息公开基本目录
领导信息
部门领导信息
组织机构
规划信息
德钦县规划信息
统计信息
行政执法和行政强制
执法主体信息
执法人员信息
执法职责和依据信息
执法程序信息
有关便民服务信息
双随机一公开制度及随机抽查事项清单
救济渠道信息
行政执法结果信息
年度行政执法和行政执法监督数据统计信息
建议提案办理结果公开
人大建议办理结果公开
政协提案办理结果公开
财政信息公开专栏
部门预决算
部门“三公经费”
重大建设项目信息公开
建设项目审批许可信息
建设项目施工信息
质量和安全管理
重点项目清单
线上审批服务
行政许可及其它管理事项
基层政务公开标准规范化目录
政务公开标准化规范化目录
工作动态
重点领域信息公开
审计结果公示
政府信息公开年报
部门信息公开年报
政策文件
转发政策文件及解读文件
政策文件
政策解读
其他文件
部门文件
依申请公开
索引号
MB0R06191J/202300277
文 号
无
来 源
交通运输局
公开日期
2023-12-14
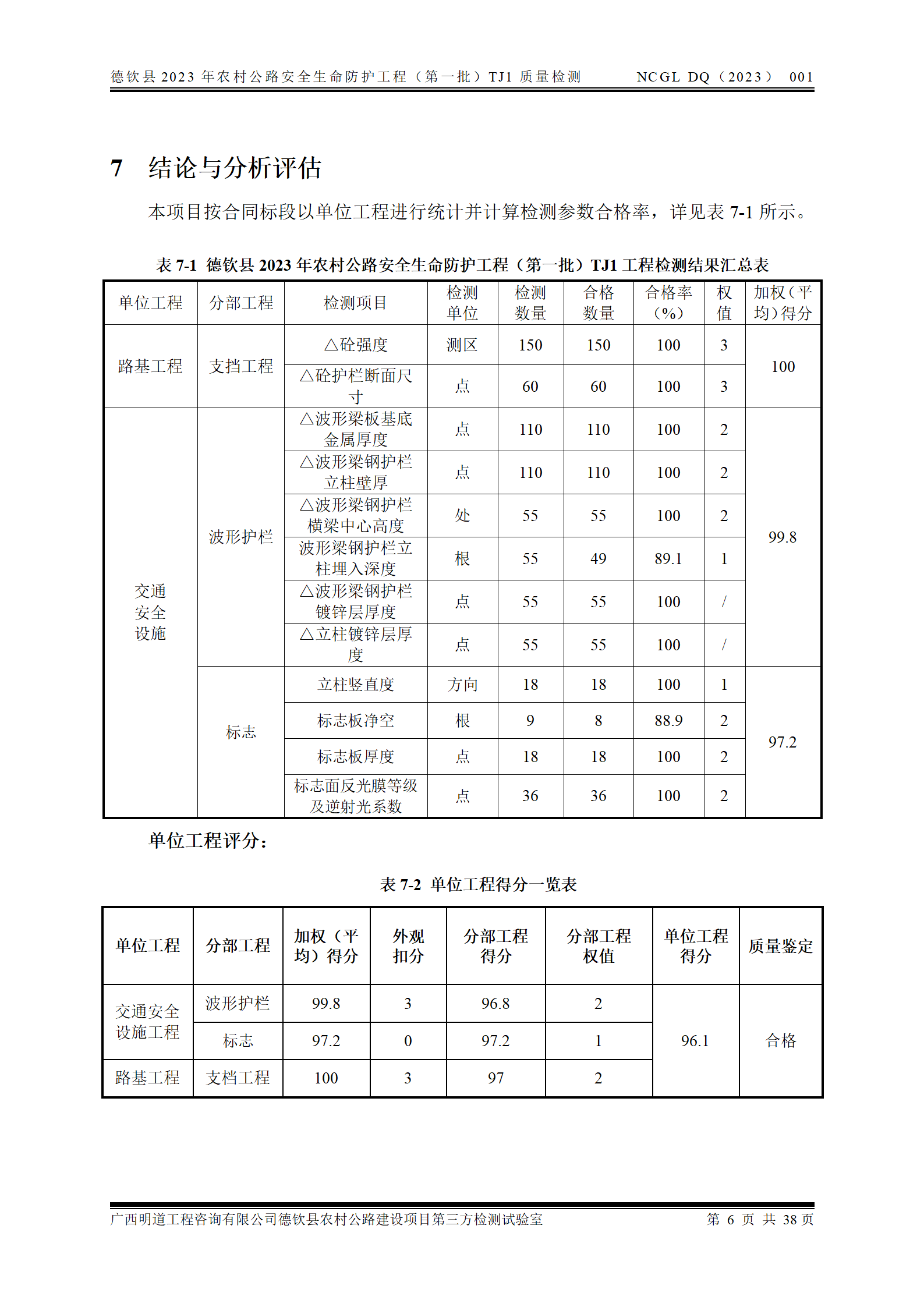
【质量评价】德钦县2023年农村公路安全生命防护工程(第一批)TJ1质量检测报告
发布时间:2023-12-14 10:58 浏览次数:361
字体:[
大
中
小
]
打印
分享到:
上一篇:
【质量评价】德钦县2023年农村公路安全生命防护工程(第一批)TJ2质量检测报告
下一篇:
【一体化信息】德钦县交通运输局关于开展2022年度城市交通运输一体化发展水平自评工作